Connection#
Gauge connectors list#
- Connectors:
One 15 points connector for power supply and IOs
One M12 4 pin D-coded female connector for Ethernet
Two M12 connectors for field bus connection (optional)
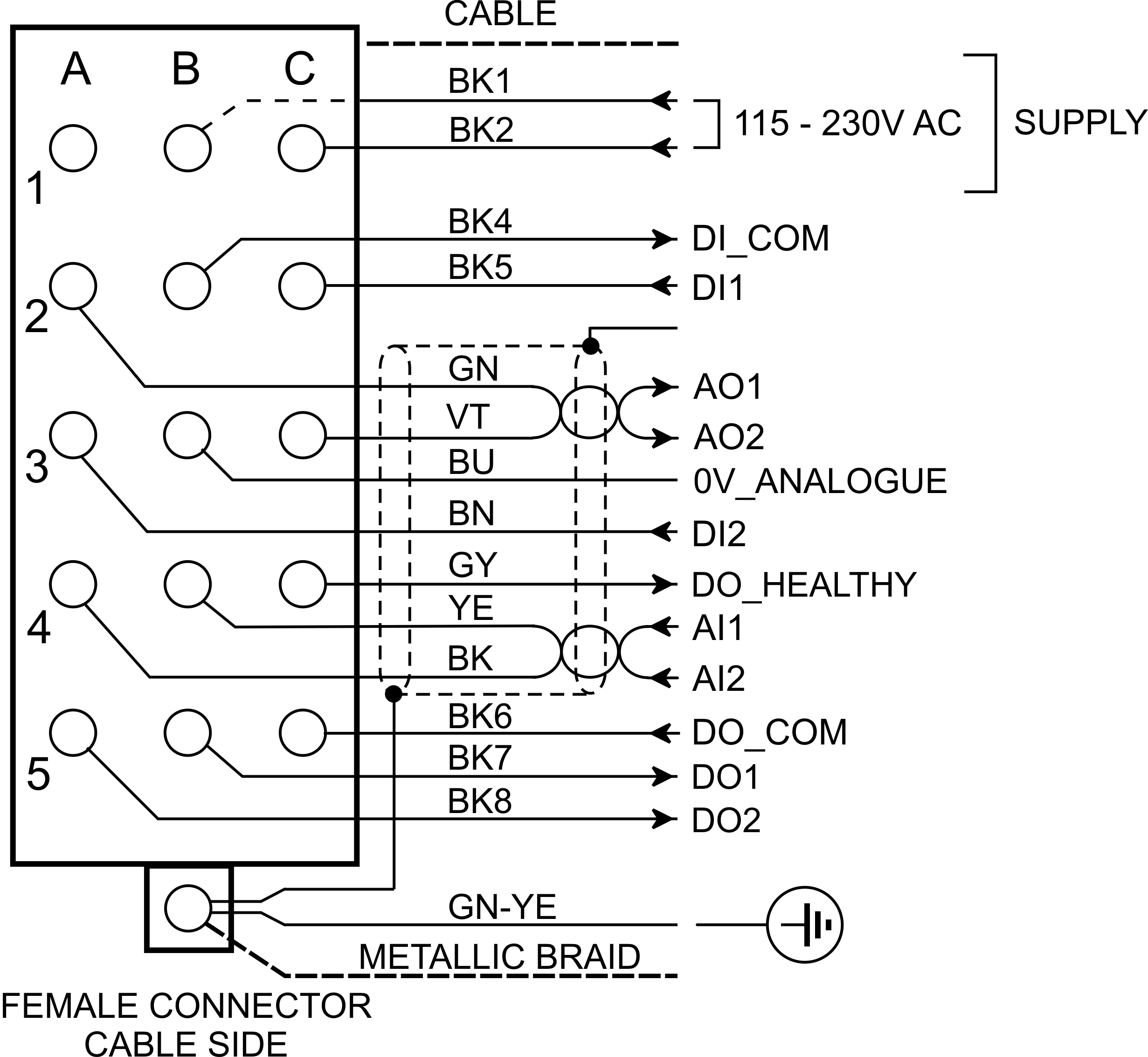
Power and IO connector#
Heavy duty 15 pin connector
Ethernet#
M12 4 pin D-coded female connector
Junction box#
- Cable connection:
Connect the gauge 15 pins connector
Connect the Ethernet cable M12 D coded connector
Connect the power supply, I/Os to the terminal block in the junction box
Profibus option#
Two M12 5 pin B-coded male and female for profibus in and out
Profinet option#
Two M12 4 pin D-coded female connectors
Ethernet/IP option#
Two M12 4 pin D-coded female connectors

